De afwijkingen van de testspiegel worden op het pc-scherm zichtbaar door horizontale bewegingen van de laserspot. Het is dus belangrijk dat de spot niet beweegt als de laserkar stil blijft staan en er geen metingen gebeuren.
Registratie van spotbewegingen tijdens stilstand tonen dat dit niet het geval is. Na 300 seconden meten van de horizontale fluctuaties zijn er soms afwijkingen van bijna 100 micrometer!
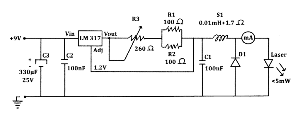
Eén van de oorzaken is dat de stroom door de laserdiode niet gestabiliseerd is. Een mogelijke oplossing is een schakeling toe te passen rond de LM317 spanningsregelaar die kan gebruikt worden als “Precision Current-Limiter”. Deze houdt de geleverde stroom constant, ongeacht voedingsspanning of belasting. Wij werken met volgende schakeling:

De weerstanden R1 en R2 bepalen de maximale stroom die door de schakeling kan lopen. Potentiometer R3 laat toe de stroom door de laser traploos te regelen tussen 4 en 24mA. Op de ingang van de stroomsturing staat een elco C3 (capaciteit in de orde van microFarads) om fluctuaties in de voedingsspanning af te vlakken. Een diode D1 parallel op de laserdiode maar in de sperrichting aangesloten dient om mogelijke tegen-emk’s op te vangen zodat de laser hier niet door belast wordt. Een smoorspoel S1 in serie met de laser kan stroompiekjes opvangen, geinduceerd in het circuit door uitwendige oorzaken (bvb schakelaar opzetten) De twee kleine condensators C1 en C2 dienen ook voor verdere ontstoring.
De stroom is maar onafhankelijk van de voedingsspanning als deze laatste een minimale waarde heeft. Uit onderstaande metingen blijkt dat de ingestelde stroom constant blijft als de voedingsspanning minstens 7V bedraagt:

Zie hierna een aantal metingen waarbij de invloed van de stroomstabilisator duidelijk wordt:

De bovenste drie meetreeksen zijn zonder stabilisatie opgenomen. De donkergroene curve is zonder externe voeding maar met twee interne AAA-batterijtjes.
De trapjes in de hoogte komen overeen met de breedte van één pixel van de sensor (bij de berekening van het middelpunt van de spot is het resultaat afgerond tot op één pixel).
De onderste twee reeksen zijn gemaakt via de LM317-schakeling. Op korte termijn is er enkel nog de variatie van plus of min één pixel; op langere termijn is er een stelselmatig verloop (25µm op 250 seconden).
Als we tenslotte de laserschakeling vóór de meting laten voorverwarmen krijgen we volgend beeld:

Ondertussen is de afronding tot op één pixel afgezet waardoor details kleiner dan één pixel gezien kunnen worden. De groene curve (9 minuten voorverwarmd) vertoont een periode van ca. 75 seconden met zo goed als geen fluctuaties.
De eigelijke spiegeltesten worden onder volgende omstandigheden uitgevoerd:
-van het Dwengo-bordje wordt een spanning van 9V DC afgetakt.
-De stroom door de laser wordt ingesteld op 20mA.
-Vóór elke meting laat men de schakeling minstens 15 minuten voorverwarmen.